MS51689N 8通道 16bit逐次逼近型模数转换器
MS51682N/MS51689N 是 4/8 通 道 、16bit、电荷再分配逐次逼近型模数转换器,采用单电源供电。
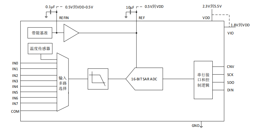
MS51682N/MS51689N 内部集成无失码 16 位 SAR ADC、低串扰多路复用器、内部低漂移基准电压源(可以选择 2.5V 或4.096V)、温度传感器、可选择的单极点滤波器以及序列器(当多通道依次连续采样时,非常有用)。
MS51682N/MS51689N 使用 SPI 接口,实现寄存器的配置和转换数据的读取。SPI 接口使用单独的电源(VIO)。
MS51682N/MS51689N 采用小型 QFN20 封装,工作温度范围为-40°C 到+125°C。
MS51682N/MS51689N 内部集成无失码 16 位 SAR ADC、低串扰多路复用器、内部低漂移基准电压源(可以选择 2.5V 或4.096V)、温度传感器、可选择的单极点滤波器以及序列器(当多通道依次连续采样时,非常有用)。
MS51682N/MS51689N 使用 SPI 接口,实现寄存器的配置和转换数据的读取。SPI 接口使用单独的电源(VIO)。
MS51682N/MS51689N 采用小型 QFN20 封装,工作温度范围为-40°C 到+125°C。










