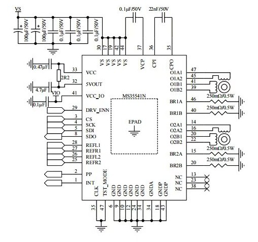
MS35541 双驱运动控制步进芯片 可替代 (ADI) TMC5041-LA
MS35541 是一款带串行接口通信的高精度、低噪声的双通道两相步进电机驱动芯片,宽工作电压范围 4.7V-32V。MS35541 集成自动加减速、无需传感器的负载检测技术以及自适应电流调节等功能。MS35541 集成欠压保护、过流保护、过温保护功能。
核心亮点
1、双驱动力,独立掌控: 一颗芯片即可同时驱动两个步进电机,节省空间与成本,且每个电机可独立配置参数和控制运动。
2、动静皆宜,模式随心:
快速模式:专为高速应用优化,提供优异的动态响应特性。
静音模式:显著降低运行噪音,提升效率,特别适合对噪音敏感的环境。
支持最高 256 微步:带来极其平滑的运动曲线,提升设备运行精度与稳定性。
3、集成运动引擎,控制更智能:
内置四段加速度+两段减速度控制。
灵活支持位置模式和速度模式,满足复杂运动轨迹需求。
4、双接口兼容,连接无忧:
SPI 接口:用于灵活的参数配置。
STEP/DIR 脉冲接口:完美兼容传统步进驱动器,方便系统集成。
5、多重防护,运行更可靠:
提供完善的欠压保护、过流保护、过温保护。
具备堵转检测功能,有效保护电机和驱动器。
6、宽电压,强电流:
工作电压范围:4.7V - 32V,适应性强。
每路峰值电流高达1.55A,持续电流 1.1A,驱动能力强。
| 关键参数 | 性能指标 |
| 细分数 | 256 |
| 工作电压范围 | 4.7V-32V |
| 输出持续电流 (Max.) | 1.1A 每路 |
| 峰值电流 (Max.) | 1.55A 每路 |
| 导通电阻 (Typ.)(mΩ) | 600 |
| 接口 | SPI,STEP/DIR |
| 工作温度 (℃) | -40~125 |
| 封装 | QFN48 |
