FT8213Q 无传感器FOC控制直流无刷马达驱动芯片
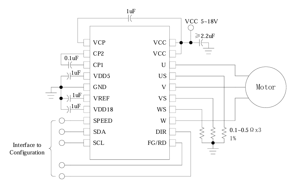
FT8213Q是一款三相、无传感器FOC控制直流无刷马达驱动IC,内置Rdson 1Ω驱动MOS。芯片高度集成电机控制所需部件,所需外围元器件少,噪声低,电机转矩脉动小。内置EFUSE,可配置客户电机参数、启动和调速方式。调速接口可选择PWM、模拟输入、I2C调节电机转速,集成转速指示功能,可通过FG引脚或I2C接口实时读取电机转速。速度控制方式可选择恒转速、恒风量、恒电流和开环控制,具有电机转速指示功能,集成过压、过流、低压、过温、堵转等多种保护模式,睡眠电流45uA。










