FT3206N 三相直流无刷电动机驱动芯片
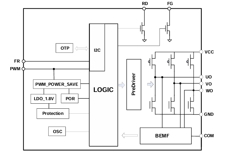
FT3206N是一款无感正弦调制、内置驱动和MOS的三相直流无刷电动机驱动芯片,专为低噪声和低电压应用而设计。正弦调制的方式驱动的方案具有突出的低噪声优点。
FT3206N具有启动电流控制、脉宽调制(PWM)速度控制、RD/FG输出等功能来适用不同控制应用,同时还有类似堵转保护及过热保护功能。
FT3206N具有启动电流控制、脉宽调制(PWM)速度控制、RD/FG输出等功能来适用不同控制应用,同时还有类似堵转保护及过热保护功能。










